Divizor rapid manual cu mandrina DRM/85 - Tip 200
Disponibilitate: În Stoc
Fără TVA: 9.377,87lei
NOTA: Fotografiile au caracter informativ (acestea pot contine accesorii / componente ce NU sunt incluse in pretul produsului). Pentru o comanda care sa satisfaca necesitatile Dvs. va sfatuim sa ne apelati telefonic la 0744.500.292 inaintea plasarii comenzii online.
MATERIAL:FONTĂ G26 UNI 5007
DURITATE BRINELL: HB = 190÷240
REZISTENŢĂ LA RUPERE: Rmin = 26
ALUNGIRE %: A% = 1
COD
UNIC: 302502014
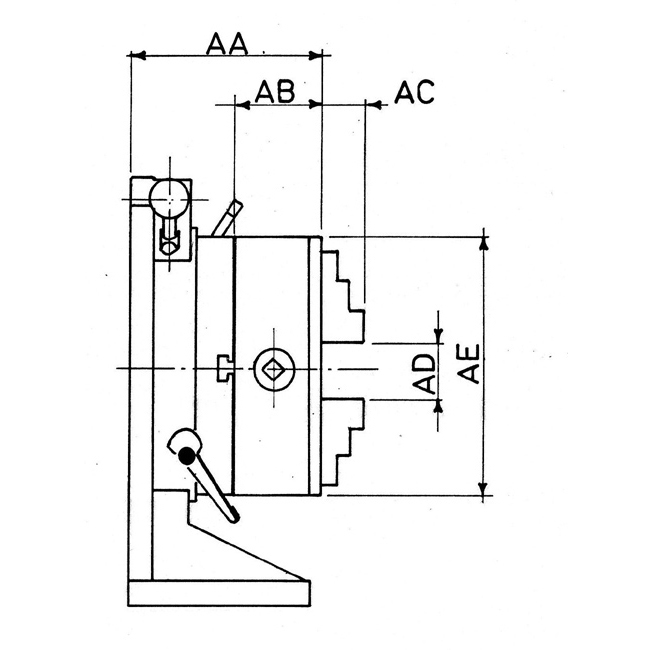
Datorită dublei
posibilităţi de poziţionare, atât pe orizontală cât şi pe verticală, acesta
este un accesoriu cu o utilizare extrem de variată pe maşinile unelte
moderne.
Permite divizarea rapidă a celor 360° în 24 poziţii fixe, multipli de 15°,
obţinute printr-un disc divizor intern dinţat şi un pivot de poziţionare care
se acţionează manual şi tot manual se realizează rotaţia platformei.
Două blocaje laterale permit să se blocheze rapid platforma rotativă chiar şi
pe poziţii diferite de cele prestabilite de discul divizor dinţat.
Divizorul se livrează cu o mandrină autocentrată din fontă cu ghidare simplă cu
3 + 3 cârlige având acelaşi diametru cu platforma rotativă.



